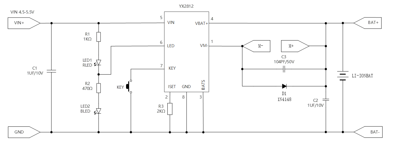
YX2812

YX2812是一款集成单节锂电池充电管理功能、 按键检测功能的马达驱动专用芯片,具有充电、充满、放电及电池低电指示功能。

    • 产品特性

    • 应用场景

  • 输入电压范围:4.5V至5.5V

  • 输入过压保护:6.8V

  • 小于2μA静态功耗

  • 高达800mA的可编程充电电流

  • 涓流、恒流、恒压三段式充电

  • 在无过热危险情况下实现充电速率最大化的热调节功能

  • 精度1%的4.2V/4.35V预设充电终止电压

  • 恒压模式1/10C充电终止

  • 3.0V涓流充电版本

  • 用于电池电量检测的充电电流监控输出

  • 充电及工作状态指示引脚

  • 单路按键控制

  • 支持电池0V充电

  • 支持边充边放

  • 输入过压保护、过充保护、过温保护、电池欠压保护、马达堵转及短路保护

  • SOP-8L封装

  • YX2812.png
  • 剃须刀,电推剪,修毛器等

  • 电动牙刷

  • 单节锂电池供电的马达类产品

  • YX2812.png
b3_img03.jpg
如您需要咨询产品更多信息,请点击“联系我们”,我们将尽快回复您!