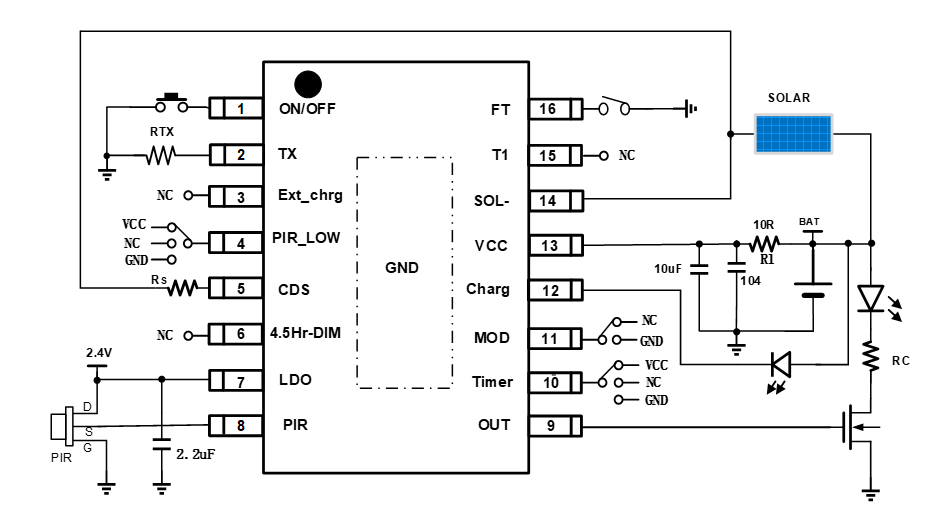
YX1102

YX1102是一款支持太阳能人体红外感应或微波雷达感应的LED路灯驱动控制芯片,适用于3.2V铁锂或3.7V锂离子电池供电的太阳能路灯、庭院灯或其他太阳能移动照明。

    • 产品特性

    • 应用场景

  • 输入电压范围:2.5V 至 5V

  • 上电不亮灯,充电时自动解锁OFF亮灯

  • 轻触开关控制,关断模式<5uA

  • 充电电流:3A,支持外扩充电

  • 3.2V铁锂电池和3.7V锂离子电池可选

  • 可与数字集成红外传感器或微波雷达模块配合使用

  • 内置LDO

  • 电池防反接

  • 亮灯延时可选择

  • 小夜灯亮度可选择

  • 光控灵敏度可调节

  • 带有充放电指示灯

  • YX1102.png
  • 太阳能人体红外感应路灯

  • 太阳能微波雷达感应路灯

  • 太阳能路灯和庭院灯

  • 太阳能遥控路灯和庭院灯

  • 太阳能安防、监控

  • 其他太阳能景观照明

  • YX1102.png
b3_img03.jpg
如您需要咨询产品更多信息,请点击“联系我们”,我们将尽快回复您!