YX5180

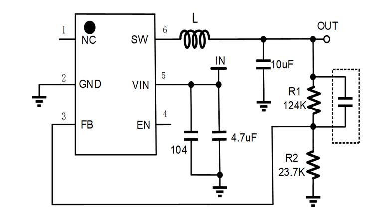
YX5180 是一款内置60V,1.5Ω上管PMOS和60V, 1.8Ω下管NMOS的单片同步降压型开关模式转换器。

    • 产品特性

    • 应用场景

  • 250mA峰值电流输出

  • 1.5Ω内置功率PMOS

  • 1.8Ω内置同步NMOS

  • 使用大输出电容可启动

  • 效率高达 90%

  • 固定0.6 MHz 频率

  • 热关断

  • 逐周期过流保护

  • 宽输入电压范围:6.5~60V

  • 采用 SOT23-6 封装

  • YX5180.jpg
  • 智能电表

  • 分布式电源系统

  • 电池充电器

  • 线性稳压器的预调节器

  • 消防应急指示灯电源

  • YX5180.jpg
b3_img03.jpg
如您需要咨询产品更多信息,请点击“联系我们”,我们将尽快回复您!