YX5173S

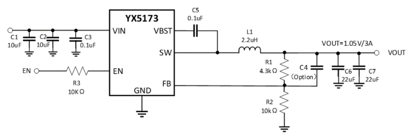
YX5173S 和 YX5173SF 是简单易用的 3A 同步降压转换器,输入电源电压范围为4.5V 至20V。 两款器件均经过优化,最大限度地减少了运行所需的外部组件并且可以实现低待机电流。 这些开关模式电源器件采用 COT 模式控制,能够提供快速瞬态响应,并且在无需外部补偿组件的情况下支持诸如高分子聚合物等低等效串联电阻 (ESR) 输出电容以及超低 ESR 陶瓷电 容器。

    • 产品特性

    • 应用场景

  • YX5173S/SF转换器集成了 80mΩ 和50mΩ 场效应晶体管

  • 持续电流:3A

  • 具有快速瞬态响应的COT模式控制

  • 输入电压范围:4.5V至20V

  • 输出电压范围:0.74V至7V

  • 脉冲跳跃模式(YX5173S)或连续电流模式(YX5173SF)

  • 550KHz开关频率

  • 低关断电流(小于 10µA)

  • 1.5% 反馈电压精度 (25℃)

  • 从预偏置输出电压中启动

  • 逐周期过流限制

  • 打嗝模式过流保护

  • 非锁存欠压保护 (UVP) 和热关断 (TSD)保护

  • 固定软启动时间:1.0ms

  • 符合RoHS标准

  • YX5173.png
  • 液晶电视

  • 网络家庭终端设备

  • 数字机顶盒(STB)

  • 监控设备

  • YX5173.png
b3_img03.jpg
如您需要咨询产品更多信息,请点击“联系我们”,我们将尽快回复您!