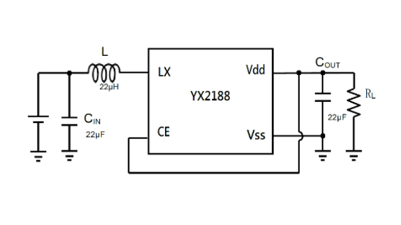
YX2118

YX2118是一款采用CMOS工艺制造的低静态电流的PFM开关型DC-DC升压转换器。该芯片通过特有的电路结构极大的改善了开关电路固有的噪声问题,减小了其对周围电路的干扰。输出电压为2.0~5.0V,振荡频率为350KHz(典型值)。

    • 产品特性

  • 低功耗:12μA

  • 高效率:95%

  • 输出电压范围:2.0V~5.0V

  • 输出电压高精度:±2%

  • 低纹波低噪声

  • 最大工作频率:350KHz(典型值)

  • 封装类型:SOT23-3L、SOT23-5、SOT23、 SOT89-3、TO92

  • YX2118.jpg
b3_img03.jpg
如您需要咨询产品更多信息,请点击“联系我们”,我们将尽快回复您!