YX2119

YX2119是一款采用CMOS工艺制造的低静态电流的PFM开关型DC-DC升压转换器。该芯片通过特有的电路结构极大的改善了开关电路固有的噪声问题,减小了其对周围电路的干扰。输出电压为2.2V~3.3V,振荡频率为350KHz(典型值)。
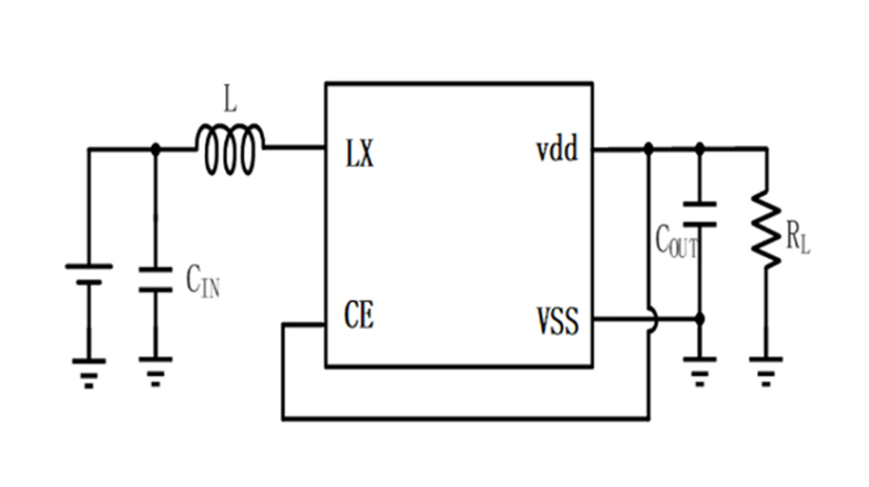
YX2119内置开关晶体管,其外围仅需要两个元件:电感和电容。带使能端的YX2119具有关断功能,可使芯片损耗达到最小。
该款芯片适用于低噪声、较大电流的电池供电设备。

    • 产品特性

    • 应用场景

  • 低静态功耗:5uA

  • 高效率:95%

  • 输入电压范围:0.9V~3.3V

  • 输出电压范围:2.2V~3.3V

  • 输出电压高精度:±2%

  • 低纹波低噪声

  • 最大工作频率:350KHz(典型值)

  • 封装类型:SOT23-5、SOT23、SOT23-3、SOT89-3

  • YX2119.jpg
  • 用于电池供电设备的电源

  • 无线鼠标、无线键盘、照相机、摄像机、VCR、PDA、手持电话、电动玩具等便携式设备的电源

  • 要求提供电压比电池所能提供电压高的设备的电源部分

  • YX2119.jpg
b3_img03.jpg
如您需要咨询产品更多信息,请点击“联系我们”,我们将尽快回复您!