YX2115S

YX2115S器件是一种具有超低静态电流的高效同步升压转换器.该器件专为多种电池供电的产品而设计,并且在轻载条件下仅消耗1µA静态电流,轻载条件下的高效运行对于延长电池寿命至关重要。该器件在20µA的负载下,可实现高达80%的效率。对于2.2V转换为3.6V的应用,在200 mA负载下,它可实现高达92%的效率;4.2V转换为5.1V的应用,在500 mA负载下,它可实现高达95%的效率。具有真关断功能,在关闭和输出短路条件下,将输出与输入断开。

    • 产品特性

    • 应用场景

  • 无开关时,1µA超低静态电流

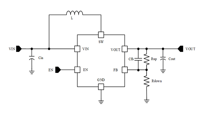
  • 可调输出电压范围:2.0V~5.5V

  • 可选择的固定输出电压版本 5.1V/3.6V/3.3V/3.0V

  • 2%反馈电压精度(25℃)

  • 效率高达95%

  • 关断期间真正实现断开

  • 过流保护功能

  • 过温保护功能

  • 输出防反灌保护

  • 内置软起动补偿

  • 1.2MHz固定开关频率

  • SOT23-6封装

  • YX2115S.jpg
  • 移动设备、平板

  • 智能手机

  • 蓝牙应用

  • 电池供电系统

  • YX2115S.jpg
b3_img03.jpg
如您需要咨询产品更多信息,请点击“联系我们”,我们将尽快回复您!