YX4067

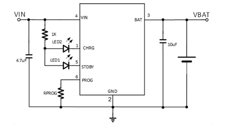
YX4067是一款完整的单节锂电池恒流/恒压线性充充电管理芯片,其 SOT23-6 封装与较少的外部 元件使得YX4067成为便携式应用的理想选择。YX4067可以适合 USB 电源和适配器电源工作.

    • 产品特性

    • 应用场景

  • 高达800mA的可编程充电电流

  • 无需MOSFET、检测电阻或隔离二极管

  • 在无过热危险的情况下实现充电速率最大化的热调节功能

  • 输入过压保护

  • 精度达到1%的预设充电终止电压

  • YX4067: 4.2V

  • 自动再充电

  • 充电状态输出引脚

  • C/10充电终止

  • 2.9V涓流充电

  • 软启动限制浪涌电流

  • 防电池反接

  • SOT23-6 绿色封装

  • 11.jpg
  • PDAs, MP3播放器

  • 移动电话

  • 蓝牙应用

  • 11.jpg
b3_img03.jpg
如您需要咨询产品更多信息,请点击“联系我们”,我们将尽快回复您!