• YX0861B.jpg

YX861B

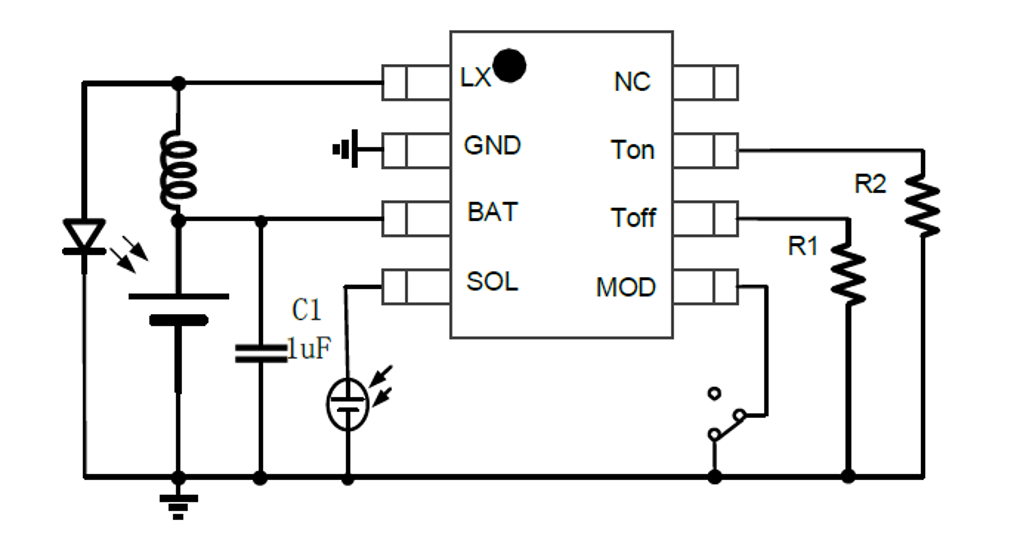
YX861B 是一款支持LED 常亮和闪亮两功能的太阳能灯串控制芯片,适用于 1 节 1.2V 充电电池供电的太阳能产品。其主要功能有充电、升压、光控、闪烁和闪烁频率可调节等。

    • 产品特性

    • 应用场景

  • 输入电压范围: 0.9V 至 1.5V

  • 效率高达 85%

  • 太阳能充电电流达 350mA

  • 过放保护功能

  • LED 常亮和闪亮功能可选

  • LED 亮、灭时间均可调

  • 可低电平使能光控功能

  • SOP8 绿色封装

  • YX861B.png
  • 1 节 1.2V 供电太阳能产品

  • 1~200 颗 LED 并联灯串

  • 太阳能景观照明

  • 景观装饰灯串

  • 室内装饰灯串

  • YX861B.png
b3_img03.jpg
如您需要咨询产品更多信息,请点击“联系我们”,我们将尽快回复您!