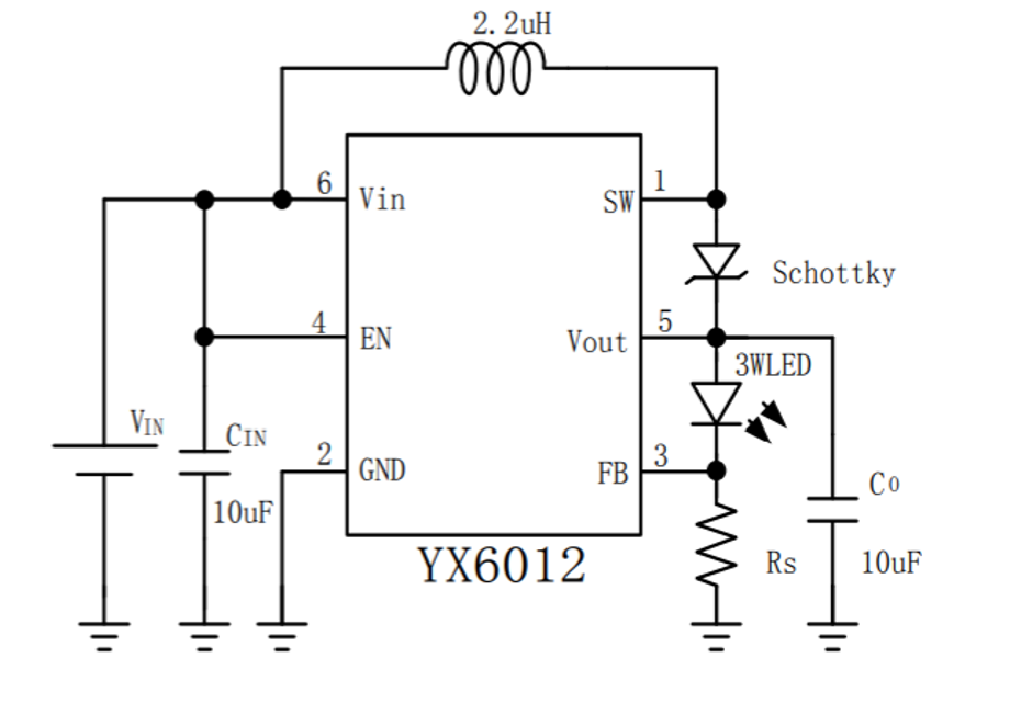
YX6012

YX6012是一款大功率高亮度LED驱动芯片,可以提供 1A的电流驱动3W的LED。具有高效率,低功耗等特点, 适用于电池供电的LED照明设备。

    • 产品特性

    • 应用场景

  • 1A 最大输出电流

  • 95mV 的低反馈电压

  • 低静态电流

  • LED 开路保护

  • 过温保护

  • 无铅封装

  • YX6012.png
  • LED 照明系统

  • 自行车灯

  • LED 射灯

  • 强光手电筒

  • 数码相机闪光灯

  • YX6012.png
b3_img03.jpg
如您需要咨询产品更多信息,请点击“联系我们”,我们将尽快回复您!