YX2602B

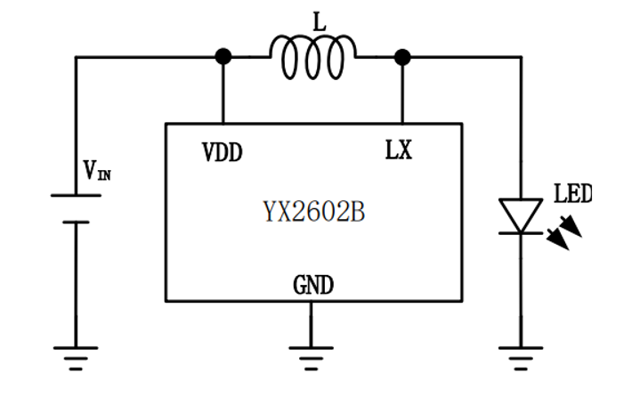
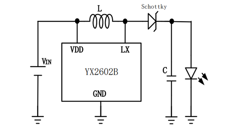
YX2602B是我公司针对手电筒照明研发的LED驱动IC, 主要用于一节1.5V碱性电池。

    • 产品特性

    • 应用场景

  • 低工作电压 0.9V ~ 1.8V

  • 高效率 80%以上

  • 450mΩ 低导通电阻

  • YX2602B-1.png
  • YX2602B-2.png
  • 移动手电筒

  • LED 头灯

  • LED 照明装饰灯

  • YX2602B-1.png
  • YX2602B-2.png
b3_img03.jpg
如您需要咨询产品更多信息,请点击“联系我们”,我们将尽快回复您!