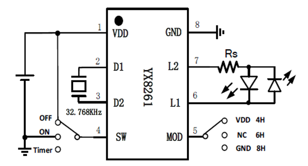
YX8261

YX8261 是一款两功能 LED 驱动芯片,可通过开关控制实现 OFF、常亮及定时功能选择,其还具有低静态电流、内置 MOS 驱动等特点,内置两个与晶振匹配的电容,外围电路简单。

    • 产品特性

    • 应用场景

  • 开关控制 OFF/常亮/定时三档选择

  • 驱动电流可达 200mA

  • 可适用于两路两线或单路 LED 灯串

  • 工作电压:2.5~5V

  • 低静态电流:0.1μA

  • YX8261-1.png
  • YX8261-2.png
  • 圣诞灯

  • LED驱动

  • 其他LED灯装饰控制

  • YX8261-1.png
  • YX8261-2.png
b3_img03.jpg
如您需要咨询产品更多信息,请点击“联系我们”,我们将尽快回复您!