YX2912

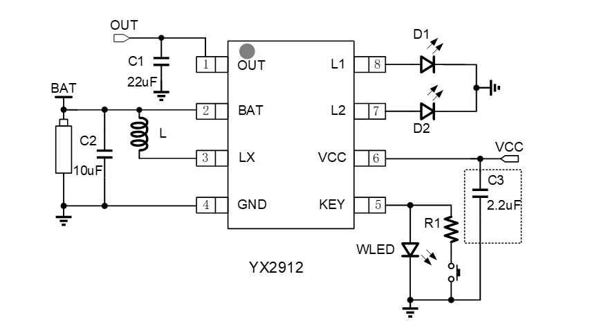
YX2912是一款集成升压转换器、锂电池充电管 理、充放电指示和电量显示的多功能电源管理 SOC,为移动电源提供完整的电源解决方案。

    • 产品特性

    • 应用场景

  • 固定 0.8A的线性充电模式

  • 涓流/恒流/恒压三段式充电

  • 充电能根据温升自动降低充电电流

  • 充电端过压保护电压6.5V

  • 升压采用同步整流,效率高达 93%

  • 输出电流 1A(电池 3.7V时典型值)

  • 输出有完整的过压、过流, 短路保护

  • 负载插入、移除能自动检测

  • 电池低压提醒功能

  • 双灯指示充电与放电

  • 固定开关频率 1MHZ

  • 电池过充、过放保护

  • 智能热控制

  • YX2912.png
  • 移动电源

  • LED 照明系统

  • 玩具

  • YX2912.png
b3_img03.jpg
如您需要咨询产品更多信息,请点击“联系我们”,我们将尽快回复您!